BL 118BC
Electrical Specifications at 25°C
Electrical Specifications at 25℃
Parameter | Min. | Typ. | Max. | Unit |
2.45 GHz Balun Section | ||||
Pass band | 2.4 |
| 2.5 | GHz |
Ant.Rx Return Loss | 10 | 15 |
| dB |
Tx Balanced Ports Phase Difference | 170 | 180 | 190 | Deg |
Tx Balanced Ports Amplitude Difference |
| 0.5 | 0.7 | dB |
|
|
|
|
|
5.5 GHz Balun Section | ||||
Pass band | 4.9 |
| 5.9 | GHz |
Ant.Rx Return Loss | 10 | 14 |
| dB |
Tx Balanced Ports Phase Difference | 160 | 180 | 200 | Deg |
Tx Balanced Ports Amplitude Difference |
| 0.9 | 1.3 | dB |
|
|
|
|
|
. Applications
■ WLAN Systems Including 802.11a,b,g
Features
Description
The BL118BC is a ceramic dual-band WLAN balun using LTCC design and manufacturing technology. The module consists of two baluns, one for the 2.4–2.5 GHz band and one for the 4.9–5.9 GHz band. The design is compatible with 802.11a, b, and g specifications.

Unit: mm
Tolerance: ±0.2
Typical Performance Data
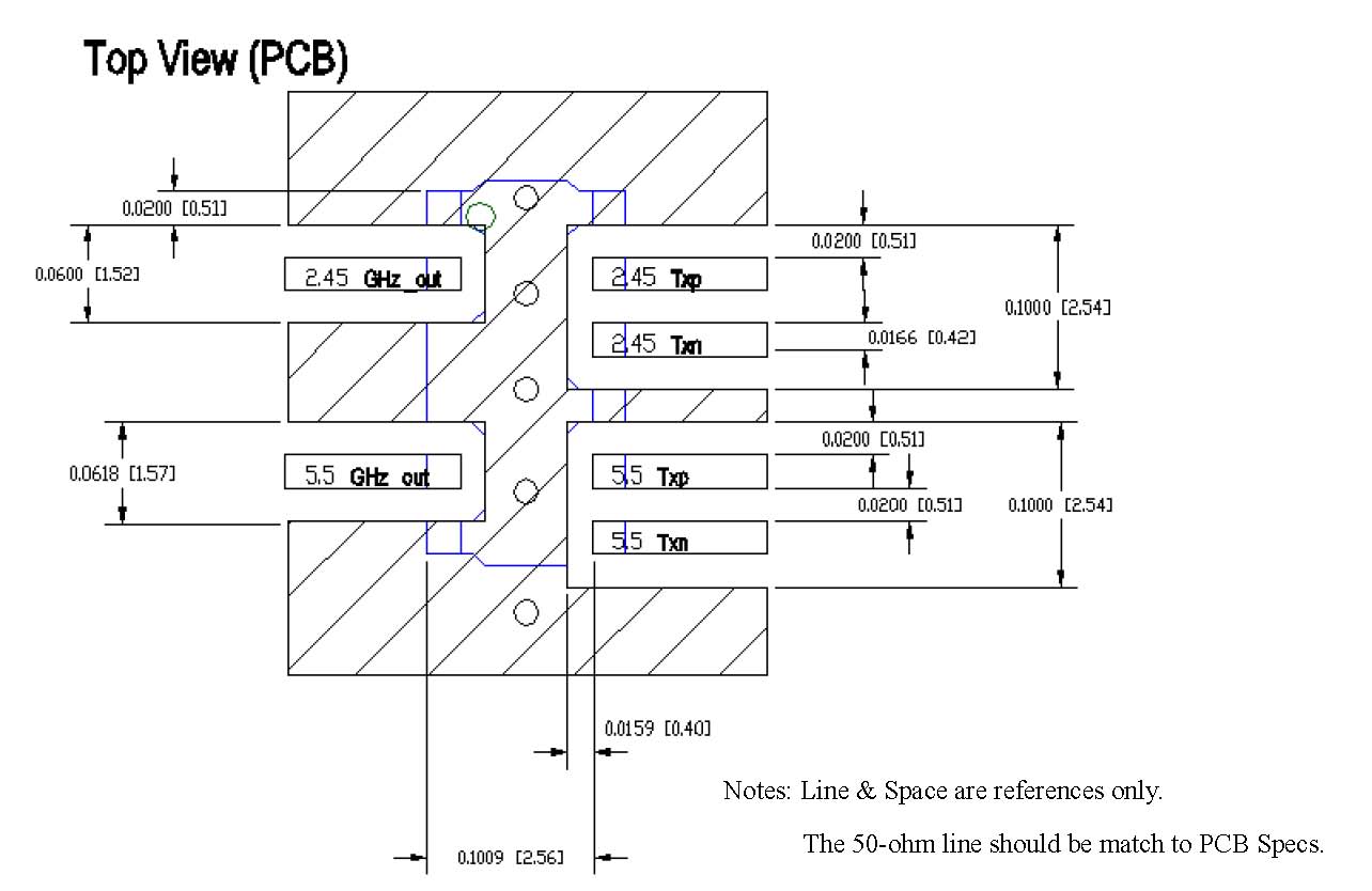
Printed Circuit Board Layout
Packing: 800 pcs / reel
Notes: Line & Space are references only.
The 50-ohm line should be match to PCB Specs.


